Description
When the downhill assist control switch is pushed on, the downhill assist control function is available and the downhill assist control indicator light illuminates.
Hint:
Even if the downhill assist control switch is pressed, the downhill assist control indicator light will blink and downhill assist control will not be activated under the following conditions:
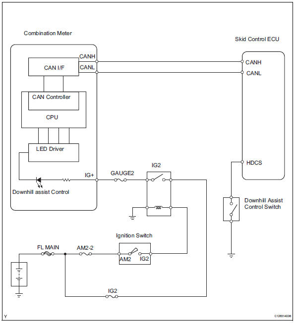
Wiring diagram

Inspection procedure
Check can communication system
Result

Ok: the connector is securely connected.


Standard resistance 


Standard resistance 


Standard resistance

Replace abs and traction actuator assemb
ly
Slip indicator light does not come on
Downhill assist control indicator light does not come onAir-fuel ratio (a/f) and heated oxygen (ho2) sensor
monitors (active air-fuel ratio control type)
Preconditions
The monitor will not run unless:
2 Minutes or more have elapsed since the engine
was started.
The engine coolant temperature (ect) is 75°c
(167°f) or more.
Cumulative driving time at a vehicle speed of 48
km/h (30 mph) or more exceeds 6 minutes.
Air-fuel rat ...
Back door
The back door can be
locked/unlocked and
opened/closed by the following
procedures.
WARNING
Observe the following precautions.
Failure to do so may result in
death or serious injury.
â– Before driving
Make sure that the back door is
fully closed.
If the back door is not fully
closed, it may op ...
System check
Hint:
Performing a system check enables the system,
which consists of multiple actuators, to be operated
without removing any parts. In addition, it can show
whether or not any dtcs are set, and can detect
potential malfunctions in the system. The system
check can be performed with the intelli ...