![]()
Description
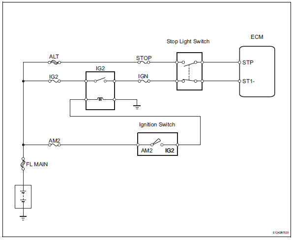
While driving with the cruise control, if the ecm detects that the brake pedal is depressed, the cruise control operation will be canceled. The stop light switch sends brake pedal status signals to the ecm.
When the brake pedal is not depressed, terminal st1- is equal to the positive (+) battery voltage and terminal stp is below 1 v. When the brake pedal is depressed, the ecm cancels cruise control operation.
The ecm outputs this dtc when the voltage of terminals st1- and stp are both below 1 v for 0.5 Seconds or more at the same time. The fail-safe function operates to enable normal driving even if there is a malfunction in the stop light signal circuit.

Hint:
*: W/ vehicle stability control system
Wiring diagram

Inspection procedure

Ok: display changes according to brake pedal operation described in above table.

Standard resistance:
below 1 


Standard resistance 


Standard resistance 


Standard voltage 


Standard voltage 

Replace ecm
Vehicle speed sensor
Input signal circuit abnormalThrottle actuator control motor current range / performance
Description
The etcs (electronic throttle control system) has a dedicated power supply
circuit. The voltage (+bm)
is monitored and when it is low (less than 4 v), the ecm determines that there
is a malfunction in the
etcs and cuts off the current to the throttle actuator.
When the volt ...
Listening to an ipod
Connecting an ipod enables you to enjoy music from the vehicle
speakers.
Select “ipod” on the audio source selection screen.
When the ipod connected to the system includes ipod video, the
system can only output the sound by selecting the browse
screen.
Connecting an ipod
Audio control ...
Torque converter clutch solenoid performance (shift solenoid valve dsl)
Description
The ecm uses the signals from the throttle position sensor, air-flow meter,
turbine (input) speed sensor,
intermediate (counter) shaft speed sensor and crankshaft position sensor to
monitor the engagement
condition of the lock-up clutch.
Then the ecm compares the engagement ...