Toyota RAV4 (XA40) 2013-2018 Service Manual: Fuel injector
Components


Removal
- Discharge fuel system pressure
Caution:
- Discharge fuel system pressure
procedures must be performed before
disconnecting any part of the fuel system.
- After performing the discharge fuel system
pressure procedures, pressure will remain in
the fuel line. When disconnecting the fuel line,
place a cloth or equivalent over fittings to reduce
the risk of fuel spray.
- Remove the console box (see page ir-83).
- Disconnect the connector.
- Start the engine. After the engine has stopped, turn
the ignition switch off.
Hint:
Dtc p0171 (system too lean) may be set.
- Check that the engine does not start.
- Remove the fuel tank cap, and let the air out of the
fuel tank.
- Connect the connector.
- Install the console box (see page ir-90).

- Disconnect cable from negative battery
terminal
Caution:
Wait at least 90 seconds after disconnecting the
cable from the negative (-) battery terminal to
prevent airbag and seat belt pretensioner activation.
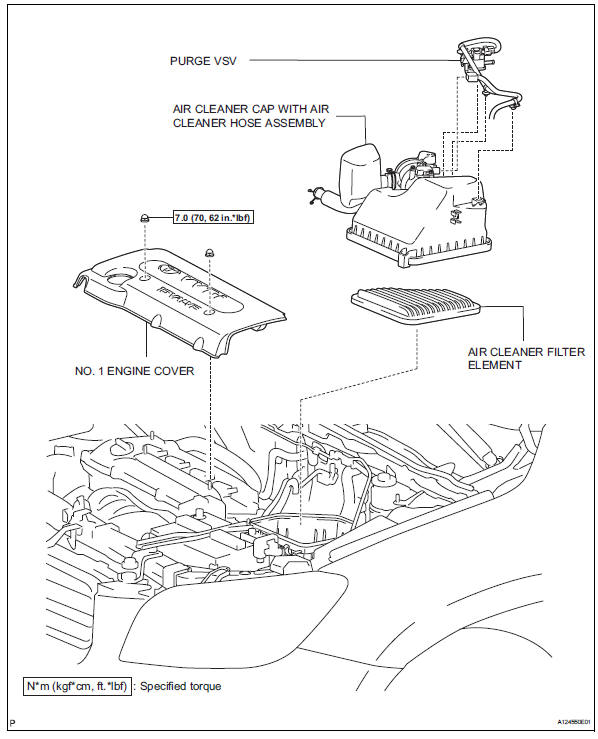
- Remove no. 1 Engine cover (see page es-410)
- Remove air cleaner cap sub-assembly (see
page es-411)
- Disconnect fuel main tube

Notice:
Do not forcibly bend and twist the fuel main tube.
- Remove the fuel tube from the fuel hose clamp.
- Remove the fuel pipe clamp.
- Wipe off any dirt on the fuel tube connector.
- Hold the fuel tube connector, and then install sst.
Sst 09268-21010
- Turn sst to align the retainer inside the fuel tube
connector with the chamfered part of sst.
- Insert sst into the fuel tube and hold it. Then push
the fuel tube connector toward sst side.
- Mount the retainer of the fuel tube connector onto
the chamfered part of sst.

- Slide sst and fuel tube connector together towards
the fuel tube until they make a "click" sound, and
then disconnect the fuel tube.
- Drain the fuel remaining inside the fuel tube.
- Cover the fuel tube and fuel pipe with a plastic bag
to protect the disconnected part.
- Disconnect no. 2 ventilation hose

- Disconnect the no. 2 Ventilation hose from the
ventilation valve.
- Remove fuel delivery pipe sub-assembly

- Remove the 2 wire harness clamps.
- Disconnect the 4 fuel injector connectors.
- Remove the 2 bolts, then remove the fuel delivery
pipe together with the 4 fuel injectors.
Notice:
Be careful not to drop the fuel injectors when
removing the fuel delivery pipe.

- Remove the 2 delivery pipe spacers from the
cylinder head.
- Remove the 4 insulators from the cylinder head.
- Remove fuel injector assembly

- Pull the 4 fuel injectors out of the fuel delivery pipe.
Inspection
- Inspect fuel injector assembly

- Measure the resistance between the injector
terminals.
Standard resistance:
11.6 To 12.4 ٠at 20°c (68°f)
If the result is not as specified, replace the injector.
- Inspect the injector injection.
Caution:
Keep the injector away from sparks during the
test.
- Connect sst (fuel tube connector) to sst
(hose), then connect them to the fuel pipe
(vehicle side).
Sst 09268-31011 (09268-41500, 90467-
13001, 95336-08070)
- Install the o-ring to the fuel injector.

- Connect sst (adapter and hose) to the
injector, and hold the injector and union with
sst (clamp).
Sst 09268-31011 (09268-41110, 09268-
41130, 09268-41310)
- Put the injector into the graduated cylinder.
Caution:
Install a suitable vinyl tube onto the injector
to contain gasoline spray.
- Operate the fuel pump.

- Connect sst (wire) to the injector and the
battery for 15 seconds, and measure the
injection volume with the graduated cylinder.
Test each injector 2 or 3 times.
Sst 09842-30080
Standard injection volume:
76 to 92 cm3 (4.6 To 5.6 Cu in.) Per 15
seconds
Standard difference between each injector:
16 cm3 (1.0 Cu in.) Or less

- Inspect the fuel leakage.
- Disconnect the sst (wire) tester probes from
the battery and check the fuel leakage from the
injector.
Standard fuel drop:
1 drop or less per 12 minutes
- Turn the ignition switch off.
- Disconnect the cable from the negative (-)
battery terminal.
- Remove sst.
Sst 09842-30080
- Disconnect the intelligent tester from the dlc3.
- Reconnect the fuel inlet hose (rear fuel pipe) to
the fuel main tube.
Installation
- Install fuel injector assembly

- Apply a light coat of gasoline or spindle oil to new orings,
then install one onto each fuel injector.

- Apply a light coat of gasoline or spindle oil to the
part of the fuel delivery pipe which comes into
contact with the o-ring of the fuel injector.
- Apply a light coat of gasoline or spindle oil to the oring
again, then install the right and left fuel injectors
onto the fuel delivery pipe.
Notice:
Make sure that the o-ring is not cracked or
jammed when installing.
- Check that the fuel injector rotates smoothly. If the
fuel injector does not rotate, replace the o-ring.
- Install fuel delivery pipe sub-assembly

- Install 4 new insulators into the cylinder head.
- Install the 2 delivery pipe spacers onto the cylinder
head.

- Install the fuel delivery pipe together with the 4 fuel
injectors, then temporarily tighten the 2 bolts.
Notice:
Be careful not to drop the fuel injectors when
installing the fuel delivery pipe.
- Check that the fuel injector rotates smoothly.
If the fuel injector does not rotate, replace the oring.

- Tighten the 2 bolts to the specified torque.
Torque: 20 n*m (205 kgf*cm, 15 ft.*Lb
f)
- Connect the 4 fuel injector connectors.
- Install the 2 wire harness clamps.
- Connect no. 2 Ventilation hose

- Connect the ventilation hose to the ventilation valve.
Notice:
Make sure that the paint mark and hose clamp
are at the correct angle when installing the hose.
- Connect fuel main tube
- Connect the fuel main tube.
- Push the fuel tube connector until it makes a "click"
sound.
- Install the fuel pipe clamp.
- Install the fuel tube to the fuel hose clamp.
- Install air cleaner cap sub-assembly (see
page es-413)
- Install no. 1 Engine cover (see page es-414)
- Connect cable to battery negative
terminal
- Check for fuel leakage

- Make sure that there are no fuel leaks after
performing maintenance on the fuel system.
- Connect the intelligent tester to the dlc3.
- Turn the ignition switch on, and push the
intelligent tester main switch on.
Notice:
Do not start the engine.
- Select the active test mode on the intelligent
tester.
Hint:
Refer to the intelligent tester operator's manual
for further details.
- Check that there are no leaks from the fuel
system.
- Turn the ignition switch off.
- Disconnect the intelligent tester from the dlc3.
Precaution
Before working on fuel system
Do not work near an open flame.
Keep gasoline away from rubber and leather parts.
Discharge the fuel pressure before disconnecting
the fuel lin ...
Components
Removal
Remove fuel tank assembly
Remove the fuel tank (see page fu-39).
Remove fuel tank main tube sub-assembly
Remove the joint clip and fuel tank main tube ...
Other materials:
Data list / active test (2006/01- )
Read data list
Hint:
Using the intelligent tester's data list allows switch,
sensor, actuator and other item values to be read without
removing any parts. Reading the data list early in
troubleshooting is one way to save time.
Connect the intelligent tester (with can vim) to the
...
How to proceed with troubleshooting
Notice:
Dtcs for the can communication system are as
follows: u0073, u0100, u0105, u0121, u0122, u0123,
u0124, u0126, u0129, c1280, c1296, c1297, and
b1499.
Refer to the troubleshooting procedures of each
system if dtcs regarding the can communication
system are not output.
Turn th ...
Rear seats
Adjustment procedure
Pull up the lever. Then lean back to the desired angle and release the
lever.
When a person sits in the rear center position, align all seatbacks at the
same angle.
Folding down the rear seatbacks
Before folding down the rear seatbacks
Stow the rear center seat bel ...