Description
This is the auto lsd switch for 2wd. When the auto lsd switch is pushed on, the auto lsd function is available and the auto lsd indicator light illuminates.
Hint:
The auto lsd does not operate even if the auto lsd switch is pressed under the following conditions:
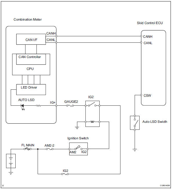
Wiring diagram

Inspection procedure
Result 
Ok: the connector is securely connected.

Ok: the connector is securely connected.

Standard resistance 


Standard resistance 



Standard resistance 


Replace abs and traction actuator assembly
Downhill assist control indicator light does not come on
Auto lsd indicator light does not come onInitializing the tire pressure
warning system (if
equipped)
â– The tire pressure warning
system must be initialized
in the following circumstances:
When rotating the tires.
When changing the tire.
After registering the ID codes.
When the tire pressure warning
system is initialized, the current
tire inflation pressure is set as
the benchmark pressure.
â ...
Ecu power source circuit
Description
This is the power source for the tire pressure warning ecu.
Wiring diagram
Inspection procedure
Notice:
It is necessary to register an id code after replacing the tire pressure
monitor valve and/or the tire
pressure warning ecu (see page tw-9).
Inspect fuse (ecu-ig1)
...
Security indicator light circuit
Description
When the transponder key is registered, the transponder key ecu indicates the
key registration condition
by lighting up, blinking or turning off the security indicator.
Wiring diagram
Inspection procedure
Perform active test by intelligent tester (security indicator light)
...