

System diagram


System description
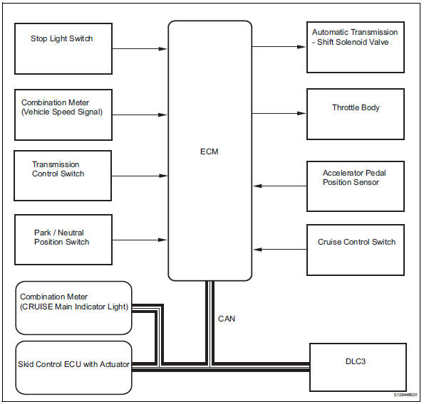
This system is controlled by the ecm, and is activated by the throttle position sensor and motor. The ecm controls the following functions: on-off, set / coast, resume / accel, cancel, vehicle speed operation, motor output control, and overdrive control.
Cruise control operation will be automatically canceled when the vehicle speed decreases below the low speed limit 40 km/h (25 mph) while the cruise control is in operation.
Also, +/res cannot be used to increase speed beyond the high speed limit.
The cruise control switch operates 7 functions: set, coast, tap-down, resume, acceleration (accel), tap-up, and cancel. The set, tap-down and coast functions, and the resume, tap-up and accel functions are operated with the same switch.
The cruise control switch is an automatic return type switch which turns on only when pressed in each arrow direction and turns off when released.
vehicle speed is stored and constant speed control is maintained when pushing the switch to -/set while driving with the cruise control switch on (the cruise main indicator light is illuminated), and the vehicle speed is within the set speed range (between the low and high speed limits).
The ecm changes the cruise control demanding throttle opening angle to 0Ð and decelerates the vehicle when -/set on the cruise control switch is pressed and held while the cruise control system is operating. When the cruise control switch is released from -/set, the vehicle speed is stored and constant speed control is maintained.
Hint:
When tapping down the cruise control switch to -/ set (for approximately 0.5 Seconds) while the cruise control system is in operation, the stored vehicle speed decreases each time by approximately 1.6 Km/h (1.0 Mph). When the cruise control switch is released from -/set and the difference between the driving and stored vehicle speed is less than 5 km/h (3 mph), the vehicle speed is stored and constant speed control is maintained.
The throttle valve motor of the throttle position sensor and motor is instructed by the ecm to open the throttle valve when +/res on the cruise control switch is pressed and held while the cruise control system is operating. When the cruise control switch is released from +/res, the vehicle speed is stored and constant speed is maintained.
When tapping up the cruise control switch to +/res (for approximately 0.5 Seconds) while the cruise control system is in operation, the stored vehicle speed increases each time by approximately 1.6 Km/h (1.0 Mph). However, when the difference between the driving and the stored vehicle speed is more than 5 km/h (approximately 3.1 Mph), the stored vehicle speed will not be changed.
If the cruise control operation was canceled with the stop light switch or the cancel switch, and if driving speed is within the set speed range, setting the cruise control switch to +/res restores the vehicle speed memorized at the time of cancellation, and constant speed is maintained.
Performing any of the following cancels the cruise control system (the stored vehicle speed in the ecm is maintained).
This system has an automatic cancellation function (failsafe) (see page cc-17).
Precaution
How to proceed with troubleshootingDriver side seat belt buckle switch circuit malfunction
Description
The driver side seat belt buckle switch circuit consists of the center airbag
sensor and the front seat inner
belt lh.
Dtc b1655/37 is recorded when a malfunction is detected in the driver side seat
belt buckle switch circuit.
Wiring diagram
Inspection procedure
...
Diagnostic trouble code chart (2006/01- )
Hint:
When the air conditioning system functions properly, dtc
b1400/00 is output.
Hint:
*1: Dtc b1422/22 (compressor lock sensor circuit) is
indicated only for a currently occurring malfunction for 2grfe.
*2: Compressor and pulley for 2az-fe, compressor and
magnetic clutch for 2gr-fe ...
Open in occupant classification ecu battery positive line
Description
Dtc b1794 is set when a malfunction is detected in the occupant
classification ecu battery positive line.
Wiring diagram
Inspection procedure
Check for dtc
Turn the ignition switch on.
Clear the dtcs (see page rs-249).
Hint:
First clear dtcs stored in the ...