




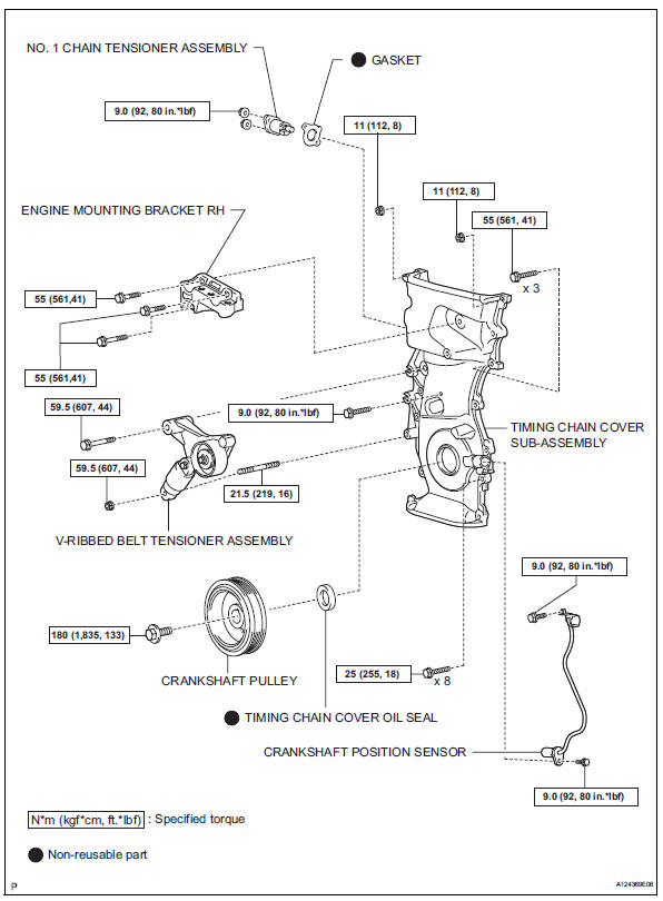
Timing chain
RemovalPressure control solenoid "d" performance (shift solenoid valve slt)
Description
The throttle pressure that is applied to the primary regulator valve (which
modulates the line pressure)
causes the solenoid valve slt, under electronic control, to precisely modulate
and generate the line
pressure according to the extent that the accelerator pedal is depr ...
Suspension & axle front shock absorber with coil spring (for sport package)
Components
Removal
Hint:
Use the same procedures for the rh side and lh side.
The procedures listed below are for the lh side.
Remove front wheel
Remove front speed sensor lh (see page bc-
191)
Remove front stabilizer link assembly lh
(see page sp-30)
Remove front shock a ...
Sruepsptrleaminetnstal restraint system center airbag sensor assembly
Components
On-vehicle inspection
Check center airbag sensor assembly
(vehicle not involved in collision and
airbag not deployed)
Perform a diagnostic system check (see page rs-
49).
Check center airbag sensor assembly
(vehicle involved in collision and airbag
not deplo ...